![]() |
![]() |
![]() |
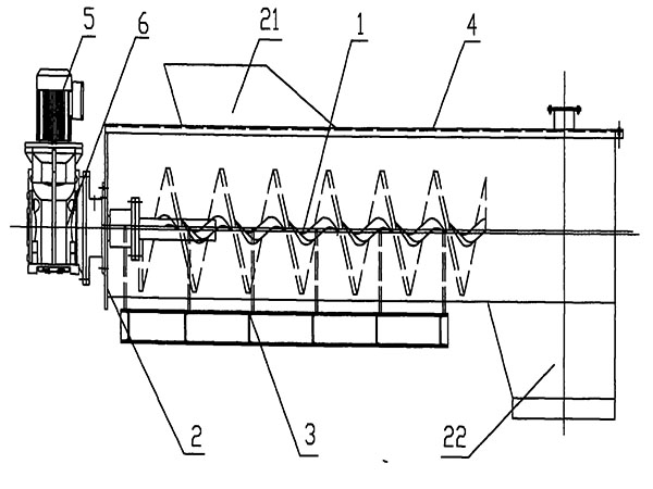
螺旋輸送機廠家:無軸螺旋輸送機的優缺點發布日期:2021/9/23 類別:公司新聞 瀏覽量: 6430 次 無軸螺旋輸送機是近幾年興起的一種新型運輸機械,采用無中心軸設計,結構獨特,主要由電動機、減速機、機械密封、柔性無軸螺旋體、U 形槽及保護襯套等組成,其他配套附件還有支腿、蓋板、端蓋及法蘭等。今天和螺旋輸送機廠家湖州亞杭環保小編一起來看一下吧。
無軸螺旋輸送機的優缺點 1、螺旋具有超強耐磨性和耐用性,使用壽命長。 2、抗纏繞性強:無中心軸干擾,對于輸送帶狀、易纏繞物料有特殊的優越性,防止阻塞引起事故。 3、環保性能好:采用全封閉輸送和易清洗的螺旋表面,可以保證環境衛生和所輸送物料不受污染、不泄漏。 4、扭距大、能耗低:由于螺旋無軸、物料不易堵塞,因而可以較低速度運轉,平穩傳動,降低能耗。 5、輸送量大:輸送量是相同直徑傳統有軸輸送機的1.5倍,最大可達到120m3/h以上。輸送距離長,可達十幾米,并可以根據用戶需要,采用多級串聯式安裝,超長距離輸送物料,能機動工作。 6、結構緊湊,節省空間,外型美觀,操作簡便,經濟耐用,無需維護。
無軸螺旋輸送機的缺點: 輸送過程中,物料與殼體和螺旋體的摩擦以及螺旋體對物料的攪拌翻動,致使機槽和螺旋葉片易于磨損,同時對物料具有一定的破碎作用,且輸送功率消耗較大。螺旋輸送機對超載敏感,需要均勻進料,否則容易產生堵塞現象。當螺旋輸送機傾斜或垂直布置時,其輸送效率將大大下降;輸送長度受到限制。因此,常被用作水平較短距離輸送。輸送長度一般小于40m,垂直輸送高度一般不大于8m;不適宜輸送長纖維狀、堅硬大塊狀、易粘結成塊及易破碎的物料。 |